VEMT行星減速機 PLF直角/中空/轉角行星減速機詳細信息/Detailed Information
VEMT行星減速機 PLF直角/中空/轉角行星減速機
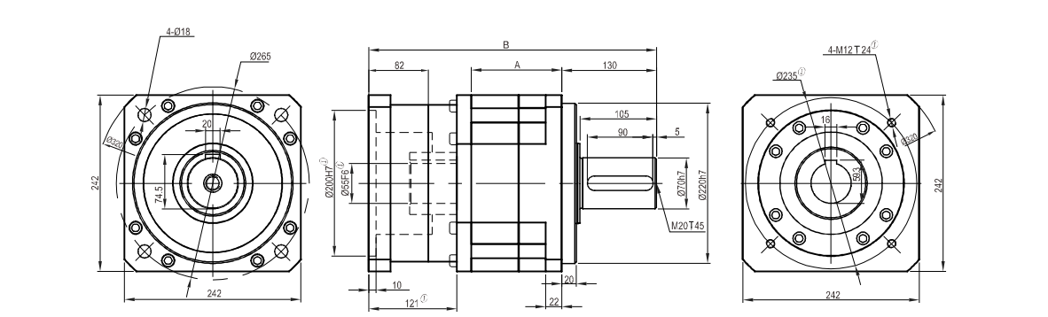
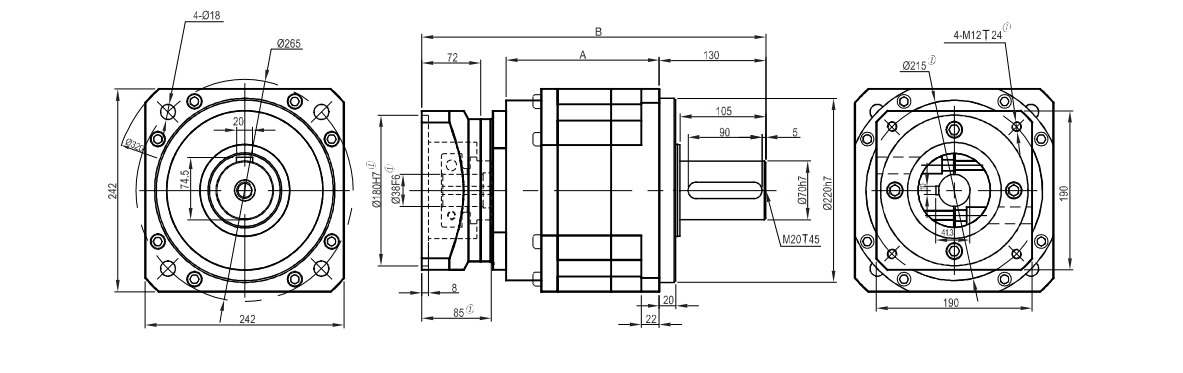
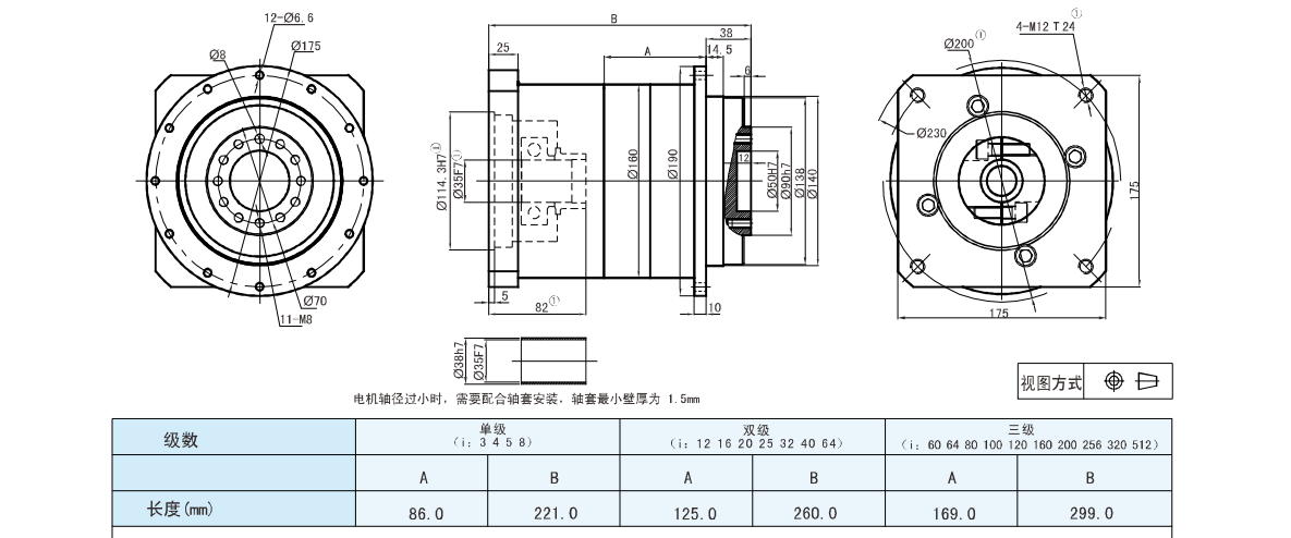
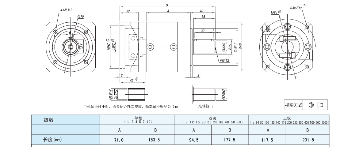
減速機型號:PLF60 64 70 78 80 90 110 115 120 140 142 155 160 190 242
電機 功率:400W-7.5KW
減速機扭矩:50-5000N/M
減速機比數:單3-10 雙10-80 三80-160
應用 范圍:包裝設備,電鍍設備,陶瓷設備,印刷設備,塑料機械,液壓設備,清洗設備等等
關鍵詞:PLF轉角行星減速機,中空行星減速機,直角行星減速機,精密行星減速機,VEMT行星減速機
中空行星減速機-特點:
使用運轉順暢安靜,高精度:齒輪間隙低于3弧分,定位精準,是按照歐洲標準,技術,使用范圍廣。 是款經濟型的工業減速機,產品遠銷全球。高鋼性,扭矩,整機用滾珠軸承,可以和任何伺服電機相配,外殼都是高強度的合金鋁,高精度加工,提高產品的壽命。減速機使用高粘度不易分離的潤滑脂有效防止油脂泄漏,減速機無需加油,維護方便。體積小,安裝方便,減速機外觀更美,行星齒輪減速機可改變電機的出力方向。
中空行星減速機參數-名詞:
額定輸入轉速n1[rpm]:減速機的驅動速度,如減速機與電機直接相連,則轉速值與電機轉速相同。本VEMT品牌的額定輸入轉速是環境溫度為20°C的條件下測得的,環境溫度較高時請降低轉速n1。
輸出轉速n2[rpm]:輸出轉速按照下列公式通過輸入轉速n1和傳動比i計算出來。
速比i:表示減速機改變某運動的三個主要參數值的值,即通過減速機的速比來改變轉速、扭矩和慣性力矩。
額定輸出扭矩TN[Nm]:指減速機長時間(連續工作制)可以加載的力矩(無磨損),條件應滿足負載均勻,安全系數S=1,理論壽命為20000小時;T2N值遵守ISO DP 6336齒輪標準與ISO 281軸承標準。
大扭矩Tmax[Nm]:指行星減速機在靜態條件或高起停運轉條件下所能承受的輸出轉矩。通常指峰值負載或啟動負載。(Tmax=2.TN)
實際所需扭矩Ts[Nm]:所需轉矩取決于應用場合的實際工況。擬選減速機的額定扭矩TN必須大于這個轉矩。
計算用扭矩Tc[Nm]:會在選擇減速機時被用到,可以由實際所需轉矩Ts和系數fs,按下公式得出Tc=Ts*fs≤TN。
有效率:指輸出功率與輸入功率的比值。由于摩擦引起的功率損失是的有效率總是小于1(100%),樣本中所標注的效率是減速機的滿負荷運動情況下測得的。輸入功率越以及扭矩越小時,有效率也越低,這是因為空轉扭矩是恒定的。這時,功率損耗是不會提高的。轉速也會影響到有效率。
遲滯曲線:遲滯檢測是為了得出減速機的扭轉剛度。通過檢測得到遲滯曲線。檢測時,先將減速機輸入端固定住,然后在輸出端的兩個旋轉方向分別持續地加載到T28大加速力矩,繼而逐步卸載,用儀器記錄下力矩的仿差角,得到的曲線是條閉合曲線,從中可以計算出減速機的回程間隙(Jt)和扭轉剛度(Ct21)。
回程間隙jt[Arcmin]:指減速機輸出軸與輸入端的大偏差角,測量時先將齒輪輸入端固定住,然后子啊輸出端用力矩儀加載定力矩(2%T2B),以克服減速機內的摩擦力。
弧分[Arcmin]:度分為60弧分(=60 Arcmin=60)如回程間隙標為1 Arcmin時,意思是說齒輪箱轉圈,輸出端的角偏差為1?60°。在實際應用中,這個角偏差與軸直徑有關b=0.44mm。
轉動慣量J:表示個物體盡力保持自己轉動狀態(或靜止或轉動)特性的個值。樣本中的值均指輸入端。
慣量比:是指負載慣量與傳動系統慣量(電機加上減速機)之間的比值。這個比值決定了系統的可控性。值越大,也就是個轉動慣量差值越大,高動態的動作過程就越難精確控制,建議盡可能將值控制在<5。減速機可以將負載慣量降低1/i2。
噪音:成套設備選用低噪音精密行星減速機,有助于環境保護和健康保護。速比與轉速直接影響到噪音水平,般是轉速越高,噪音越大;速比越大噪音越小。樣本中的值是在輸入轉速為3000rpm/min時,不帶負載,離減速機米距離時測量的。
平均壽命:指減速機在額定負載下,額定輸入轉速時的非連續工作時間。
軸向力:是指平行于軸心的個力,它平行于輸出軸。它的作用點與輸出軸端有定的軸向偏差時,會形成個額外的彎撓力矩。軸向力超過樣本所示的額定值時,須用聯軸節來抵消這種彎撓力。
徑向力:指垂直作用于軸向力的個力。它的作用點與軸端有定的軸向距離(*2),這個點成個杠桿點。橫向力形成個彎撓力矩。
安全系數:安全系數等于減速機的額定輸入功率與電機功率的比值。
使用系數:使用系數表現減速機的應用特性,它考慮到減速機的負載類型和每日工作時間。(選型說明中有詳細數據)。
夾緊轂:夾緊轂用于電機與減速機輸入端的連接。若電機軸直徑小于夾緊轂內徑時,可以加個軸套。以確保在高輸入轉速下結合面的同心度和零背隙的動力傳遞。此機構在我司改進下,以達到不需要校核動平衡即可滿足任何安裝需求。
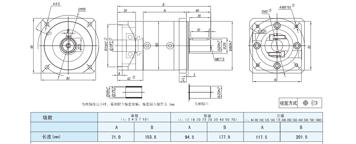
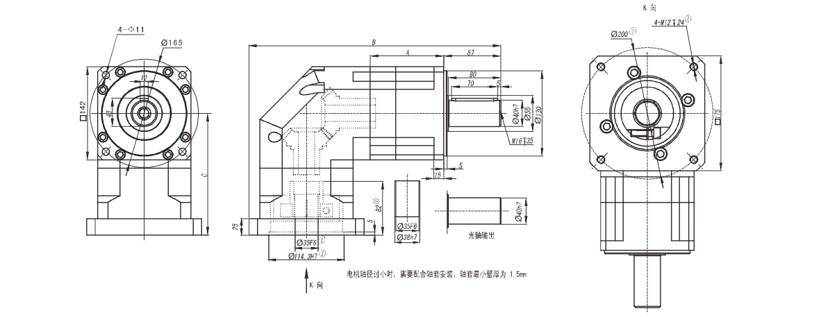
中空行星減速機圖片:(此圖由VEMT推廣部人員上傳,請以實物圖為準,可撥打電話0769-85992468獲取實物圖)

中空行星減速機-選型:
選用減速機應考慮其結構類型、安裝形式、承載能力、輸出轉速、工作條件等因素。減速機樣本規格的確定:減速機的承載能力是在額定轉速下,每天工作少于12小時,每小時啟動數少于10次,平穩無沖擊的條件下得出的。如有不同使用情況應按下步驟進行選型:
根據負載類型、每小時啟停次數和預期工作壽命確定使用系數fs:1.根據所需轉矩Ts按以下公式得出計算用轉矩:Tc=Ts*fs;2.由所要求的輸出轉速n2和輸入轉速n1傳動比i=n1/n2;3.確定了Tc和i后,根據減速機額定值表,選擇接近計算值的傳動比并滿足以下條件的減速機型號:確定了Tc和i后,根據減速機額定值表,選擇接近計算值的傳動比并滿足以下條件的減速機型號:Tn≥Tc;4.安全系數[S]。
校核:在完成減速機的選型之后,可用以下方法進行校核:1.大轉矩:確認瞬時峰值負荷轉矩和帶負載啟動轉矩不能超過減速機的額定大轉矩Tmax。具體參數值在減速機額定值表中列出。2.懸臂載荷:主要針對懸臂的齒輪齒條,同步帶輪等需要承載較大徑向力或軸向力的情況。選擇時,按照定轉速及受力點在軸伸的1/2處,要求實際需要徑向力或軸向力小于樣本標準值(注意轉速度值。轉速越低,承載的徑向力相對會提高。受力點離軸肩越遠,承載的徑向力會下降)。如與特殊情況,可與我們的工程人員聯系。3.如需要延長工作壽命,在樣本中選擇壽命系數。4.徑向載荷:對于作用在軸中點的負載,需要按以下公式校核:Fr≥Frj*fL。5.軸向載荷:計算軸上所承受的軸向載荷Fa的大小和方向。根據輸出類型和軸向載荷的方向以及調整系數Ka來選擇合適的減速機。如果同時有軸向力和徑向力,請與技術部聯系。
購買須知:我司VEMT品牌所有系列產品,標準常用的,倉庫均備有現貨2000臺左右,非常用的需排單定做,請聯系客服咨詢貨期。凡購買我司品牌VEMT系列產品,不分價格高低,兩年內免費維修,免費換新。兩年后免費維修,只收取零件成本費用,包含海外以及港澳臺區域。因各種設備企業對產品的要求標準不同,如果您的設備是出口的,請告知客服轉接我司VEMT工程部,告知您的高標準,我們VEMT工程部會為您量身定做百分百符合要求的產品。
跟此產品相關的產品 / Related Products
聯系祥如機電
全國咨詢熱線
13528634927
微信13528634927

































































