LHT-I諧波減速機詳細信息/Detailed Information
LHT-I諧波減速機
減速機規格: LHT-I諧波減速機
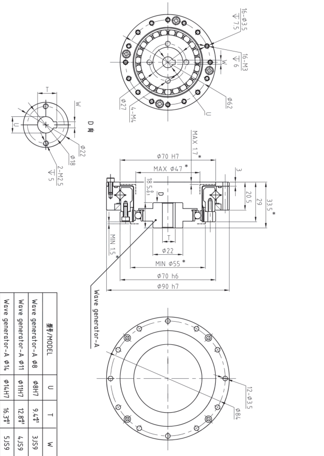
減速機型號:LHT14 LHT17 LHT20 LHT25 LHT32
減速機比數:對應比數
減速機可配電機:對應功率
應用范圍:機器人,分割器代替的場所。
關鍵詞:LHT型諧波減速機,LHT14減速機,LHT17諧波減速器,高精密機器人減速機
LHT-I諧波減速機特點:LHT-I系列柔輪為中空翻邊形標準筒結構,整機結構緊湊,輸入軸直接與波發生器內孔配合,通過平鍵連接。既可采用剛輪端固定,柔輪端輸出的連接方式使用;也可采用柔輪端固定,剛輪端輸出的連接方式使用。
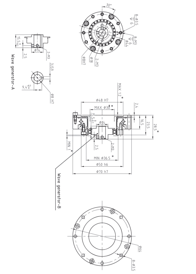
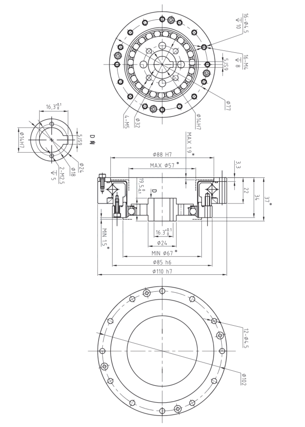
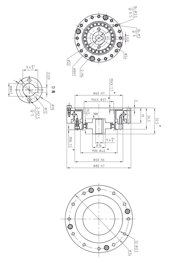
LHT-I諧波減速機波發生器:
波發生器結構,波發生器包括帶自調心結構的歐式聯軸節的結構和不帶帶自動調心結構的體型兩種類型,根據各系列的不同也有所差異,詳情請參照各系列的外形圖。波發生器的軸向力與軸的固定,由于柔輪的彈性形變,運轉中波發生器上的軸向力發生運動。作為減速器使用時的軸向力向柔輪內部方向運動。作為增速器使用時的軸向力與減速時的方向相反。無論在何種使用條件下,都需要采用阻止波發生器軸向力的設計。在波發生器上設置止動螺釘并與輸入軸固定時,請務必咨詢VEMT工程師。
LHT-I諧波減速機圖片:(此圖由VEM推廣部人員上傳,請以實物圖為準,可撥打電話15818497138獲取實物圖)
LHT-I諧波減速機安裝:
LHT-I型諧波減速機型號:
購買須知:我司VEMT品牌所有系列產品,標準常用的,倉庫均備有現貨2000臺左右,非常用的需排單定做,請聯系客服咨詢貨期。凡購買我司品牌VEMT系列產品,不分價格高低,兩年內免費維修,免費換新。兩年后免費維修,只收取零件成本費用,包含海外以及港澳臺區域。因各種設備企業對產品的要求標準不同,如果您的設備是出口的,請告知客服轉接我司VEMT工程部,告知您的高標準,我們VEMT工程部會為您量身定做百分百符合要求的產品。
跟此產品相關的產品 / Related Products
聯系祥如機電
全國咨詢熱線
13528634927
微信13528634927











