LHT-Ⅳ諧波減速機詳細信息/Detailed Information
LHT-Ⅳ諧波減速機
減速機規格:LHT-Ⅳ諧波減速機
減速機型號:LHT14 LHT17 LHT20 LHT25 LHT32
減速機比數:對應比數
減速機可配電機:對應功率
應用范圍:機器人,分割器代替的場所。
關鍵詞:機器人諧波減速機,LHT關節減速機,諧波減速器,高精密諧波減速機
LHT-Ⅳ諧波減速機特點:LHT-IV系列柔輪為中空翻邊型標準筒結構,減速器內徑設計有支撐軸承,全密封結構,安裝簡便,為軸輸入形式,適用于同步帶連接及需要軸輸入的場合使用。
LHT-Ⅳ諧波減速機運動原理:
精度高:多齒在兩個180度對稱位置同時嚙合,因此齒輪齒距誤差和累積齒距誤差對旋轉精度的影響較為平均,可得到極高的位置精度和旋轉精度。傳動比大:單諧波齒輪傳動的傳動比可達i=30~500,且結構簡單,三個在同軸上的基本零部件就可事先高減速比。承載能力高:諧波減速機傳動中,諧波傳動中,齒與齒的嚙合是面接觸,加上同事嚙合齒數比較多,因而單位面積載荷小,承載能力較其他傳動形式高。體積小、重量輕:相比普通的齒輪裝置,體積和重量可以大幅降低,實現小型化、輕量化。傳動效率高、壽命長。傳動平穩、無沖擊,噪音小。
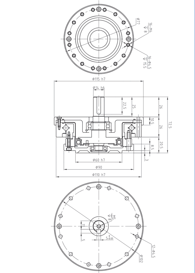
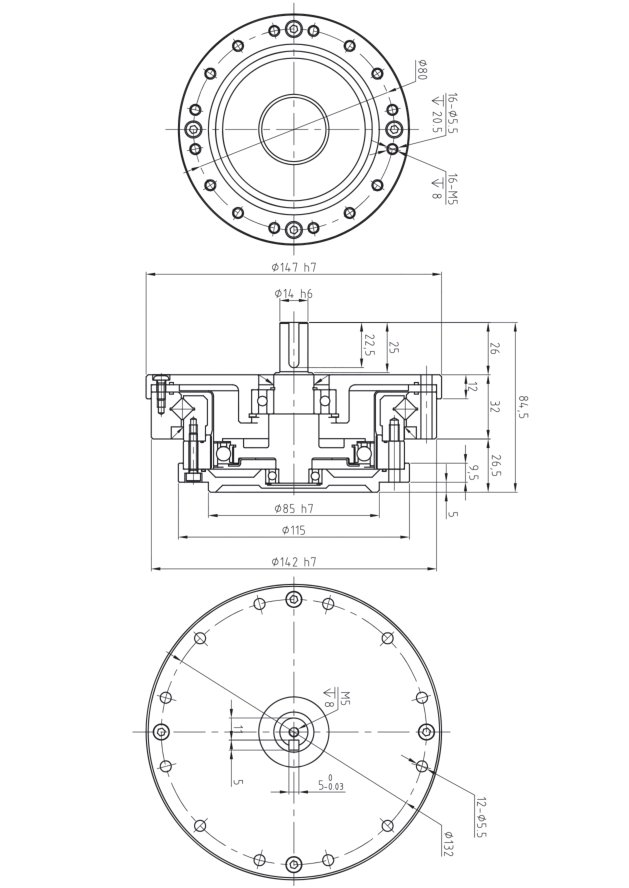
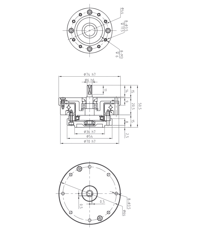
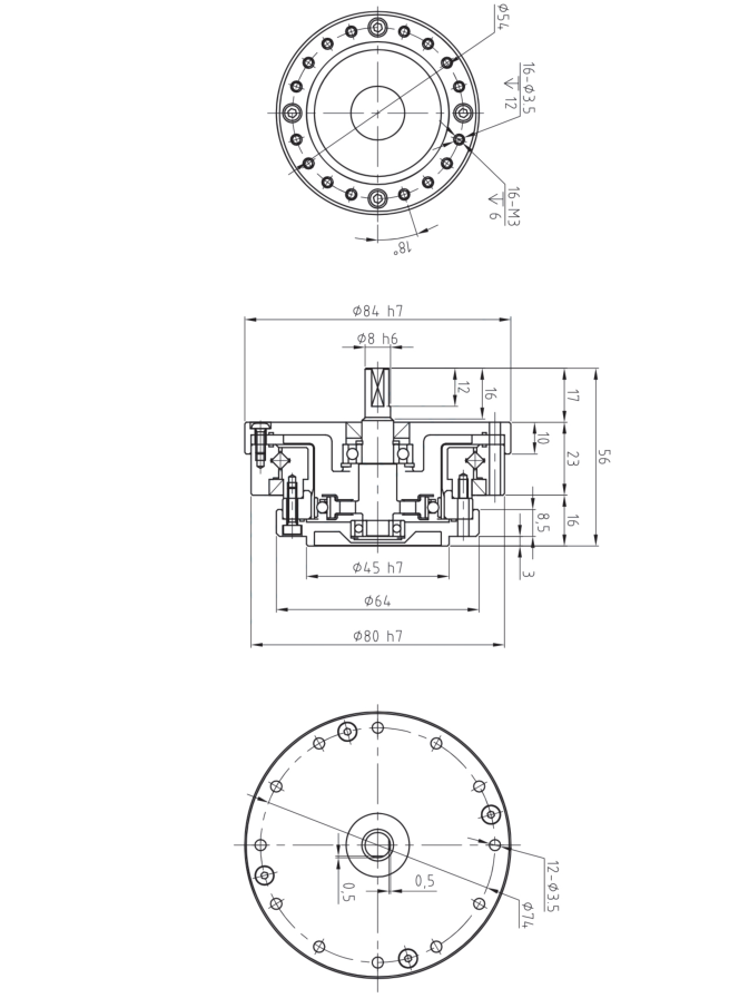
LHT-Ⅳ諧波減速機圖片:(此圖由VEMT推廣部人員上傳,請以實物圖為準,可撥打電話15818497138獲取實物圖)
LHT-Ⅳ諧波減速機參數:查看其他諧波減速機型號,請點擊鏈接:http://m.excitingdestiny.com/guanjiejiansuji.html
LHT-Ⅳ諧波減速機安裝步驟
購買須知:我司VEMT品牌所有系列產品,標準常用的,倉庫均備有現貨2000臺左右,非常用的需排單定做,請聯系客服咨詢貨期。凡購買我司品牌VEMT系列產品,不分價格高低,兩年內免費維修,免費換新。兩年后免費維修,只收取零件成本費用,包含海外以及港澳臺區域。因各種設備企業對產品的要求標準不同,如果您的設備是出口的,請告知客服轉接我司VEMT工程部,告知您的高標準,我們VEMT工程部會為您量身定做百分百符合要求的產品。
跟此產品相關的產品 / Related Products
聯系祥如機電
全國咨詢熱線
13528634927
微信13528634927














