減速機KAF167 KHF167 KH167 k系列斜齒輪-螺旋傘齒輪減速機詳細信息/Detailed Information
減速機KAF167 KHF167 KH167 k系列斜齒輪-螺旋傘齒輪減速機
減速機型號:KAF167 KHF167 KH167 KVZ167 KAZ167 KH167 KV167 KHF167 K167TB
電機 功率:11KW-200KW
輸入 轉速:500-2800RPM
單機 扭矩:1000-18000N/M
單機 速比:17.34-164.50比
輸出 轉速:0.6-81rpm/min
傘齒輪傳動,傳動效率95%
交 期:1-10天
訂購熱線:13528634927
KAF167是B5法蘭空心軸安裝斜齒-傘齒減速機
KHF167是B5法蘭空心軸鎖緊盤安裝斜齒-傘齒減速機
KH167是空心軸鎖緊盤安裝斜齒-傘齒減速機
KAF167,KHF167,KH167系列減速機是一款結構緊湊,耐腐蝕,低噪音,傳動精確,重量輕,噪音低,能耗低,結構可靠,性能穩定的錐傘齒輪減速機,具有良好的耐磨性能,能有效減少噪聲和振動,可以有效抑制轉矩震蕩,是工業機械的重要傳動部件,可以滿足多種復雜的傳動需求,是工業機械應用中不可或缺的必要元素。
KAF167,KHF167,KH167減速器配上三相異步電機之后的型號如下,不同廠家型號表示有差異,具體可咨詢客服了解
| GKAF167-Y11-4P | GKHF167-YB11-4P | GKH167-YVPEJ11-4P |
| GKAF167-Y15-4P | GKHF167-YB15-4P | GKH167-YVPEJ15-4P |
| GKAF167-Y18.5-4P | GKHF167-YB18.5-4P | GKH167-YVPEJ18.5-4P |
| GKAF167-Y22-4P | GKHF167-YB22-4P | GKH167-YVPEJ22-4P |
| GKAF167-Y30-4P | GKHF167-YB30-4P | GKH167-YVPEJ30-4P |
| GKAF167-Y37-4P | GKHF167-YB37-4P | GKH167-YVPEJ37-4P |
| GKAF167-Y45-4P | GKHF167-YB45-4P | GKH167-YVPEJ45-4P |
| GKAF167-Y55-4P | GKHF167-YB55-4P | GKH167-YVPEJ55-4P |
| GKAF167-Y75-4P | GKHF167-YB75-4P | GKH167-YVPEJ75-4P |
| GKAF167-Y90-4P | GKHF167-YB90-4P | GKH167-YVPEJ90-4P |
| GKAF167-Y110-4P | GKHF167-YB110-4P | GKH167-YVPEJ110-4P |
| GKAF167-Y132-4P | GKHF167-YB132-4P | GKH167-YVPEJ132-4P |
| GKAF167-Y160-4P | GKHF167-YB160-4P | GKH167-YVPEJ160-4P |
| GKAF167-Y200-4P | GKHF167-YB200-4P | GKH167-YVPEJ200-4P |

KAF167系列直角軸減速電機能做到的減速比如下:
164.5:1,134.99:1,109.83:1,87.86:1,78.14:1,68.07:1,60.74:1,51.77:1,42.89:1,36.61:1,32.25:1,28.77:1,24.52:1,20.32:1,17.34:1
如果上述的參數不滿足您的設備的實際的使用需求的話,您可以咨詢一下選型技術人員,讓他們給您選型
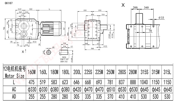
下面是這個167系列減速箱的安裝尺寸圖紙,需要非標或三維模型的話,請直接聯系客服。



那么這款大扭矩的KAF167,KHF167,KH167齒輪箱有哪些性能上的特點呢?
1、高度模塊化設計:可以方便地配用各種型式的電動機或采用其它動力輸入。同種機型可配用多種功率的電動機。容易實現各機型間組合聯接。
2、傳動比:劃分細,范圍廣。組合機型可以形成很大的傳動比,即輸出極低的rpm/min速。
3、安裝形式:安裝位置不受限制。
4、強度高、體積小:箱體采用高強度鑄鐵。齒輪及齒輪軸采用氣體滲碳淬火精磨工藝,因而單位體積承載能力高。
5、使用壽命長:在正確選型(包括選用適當的使用系數)和正常使用維護的條件下,減速機(除易損件外)的主要零部件壽命一般不低于20000小時。易損件包括潤滑油,油封以及軸承。
6、噪聲低:伺服減速機主要零部件都經過精密加工,并通過精心組裝和測試,因而減速機噪聲較低。
7、效率高:單機型效率不低于95%。
8、可承受較大的徑向載荷。
9、可承受不大于徑向力15%的軸向載荷。

更多的直角減速器K系列型號請點擊→傘齒輪減速機
購買須知:我司VEMT品牌所有系列產品,標準常用的,倉庫均備有現貨2000臺左右,非常用的需排單定做,請聯系客服咨詢貨期。凡購買我司品牌VEMT系列產品,不分價格高低,兩年內免費維修,免費換新。兩年后免費維修,只收取零件成本費用,包含海外以及港澳臺區域。因各種設備企業對產品的要求標準不同,如果您的設備是出口的,請告知客服轉接我司VEMT工程部,告知您的高標準,我們VEMT工程部會為您量身定做百分百符合要求的產品。
跟此產品相關的產品 / Related Products
祥如機電產品中心
Product Center
聯系祥如機電
全國咨詢熱線
13528634927
微信13528634927











