RF77減速機 減速器RF77AD RZ77直線減速機詳細信息/Detailed Information
RF77減速機 減速器RF77AD RZ77直線減速機
減速機型號:R77 RF77 R77F RM77 RZ77 RX77 RXF77
電機 功率:0.18KW-11KW
輸入 轉速:500-2800RPM
單機 扭矩:5-820N·M
單機 速比:1.42-195.24比
輸出 轉速:0.6-986rpm/min
斜齒輪傳動,傳動效率95%
交 期:1-10天
訂購熱線:13528634927
RF77是法蘭安裝斜齒輪減速機
RF77AD是AD軸輸入的法蘭安裝斜齒輪減速機
RZ77是B14法蘭安裝斜齒輪減速機
RF77,RF77AD,RZ77系列減速機是一種高精度、高剛性、高可靠性的減速機,廣泛應用于機床、自動化生產線、包裝機械、印刷機械、紡織機械、食品機械等各種機械設備中。它采用優質的合金鋼材料制成,具有結構緊湊、傳動效率高、噪音低、壽命長等特點。同時,RF系列減速機還具有以下優點:
高可靠性:RF系列減速器采用高質量的材料和先進的制造工藝,確保了其長期穩定、可靠的工作。
高精度:RF系列減速箱的精度高達5級或6級,確保了傳動的精確性和穩定性。
高扭矩:RF系列減速箱的扭矩輸出大,可滿足各種高扭矩的傳動需求。
低噪音:RF系列減速箱的結構緊湊、精度高,傳動過程中噪音低,減少了環境污染和對工作人員的影響。
RF77,RF77AD,RZ77系列減速電機型號如下,不同的廠家型號表示有差異,具體可咨詢客服了解。
| RF77-Y0.18-4P | R77AM71M4 | R77AD71M4 |
| RF77-Y0.25-4P | R77AM80M4 | R77AD80M4 |
| RF77-Y0.37-4P | R77AM90S4 | R77AD90S4 |
| RF77-Y0.55-4P | R77AM90L4 | R77AD90L4 |
| RF77-YEJ0.75-4P | R77AM100L | R77AD100L |
| RF77-YEJ1.1-4P | R77AM112M4 | R77AD112M4 |
| RF77-YEJ1.5-4P | R77AM132S | R77AD132S |
| RF77-YEJ2.2-4P | R77AM132M | R77AD132M |
| RF77-YEJ3-4P | R77AM160M4 | R77AD160M4 |
| RZ77YS71M4 | RZ77YVP112M4 | RF77-YEJ4-4P |
| RZ77YS80M4 | RZ77YVP132S | RF77-YEJ5.5-4P |
| RZ77YS90S4 | RF77-YEJ11-4P | RF77-YEJ7.5-4P |
| RZ77YS90L4 | RZ77YVP160M4 | RZ77YVP132M |

RF77齒輪箱能做到的減速比如下:
1比5.31,1比5.99,1比6.79,1比7.74,1比8.59,1比9.64,1比10.88,1比12.33,1比14.05,1比15.6,1比17.82,1比18.8,1比21.43,1比23.37,1比25.23,1比29,1比33.47,1比36.83,1比43.26,1比52.07,1比54.81,1比57.68,1比65.77,1比77.24,1比81.8,1比92.97,1比102.99減速機
在上述的速比下配上四極三相異步電機能形成下面的輸出轉速
7.2轉/分鐘,8.4轉/分鐘,9.6轉/分鐘,10轉/分鐘,12轉/分鐘,14轉/分鐘,15轉/分鐘,17轉/分鐘,18轉/分鐘,21轉/分鐘,24轉/分鐘,27轉/分鐘,31轉/分鐘,32轉/分鐘,38轉/分鐘,42轉/分鐘,48轉/分鐘,55轉/分鐘,60轉/分鐘,65轉/分鐘,74轉/分鐘,79轉/分鐘,90轉/分鐘,100轉/分鐘,114轉/分鐘,129轉/分鐘,145轉/分鐘,163轉/分鐘,181轉/分鐘,206轉/分鐘,234轉/分鐘,264rpm/min減速機。
如果上述的參數不滿足您的設備參數要求的話,您可以咨詢VEMTE選型技術人員,讓他們給您選型。
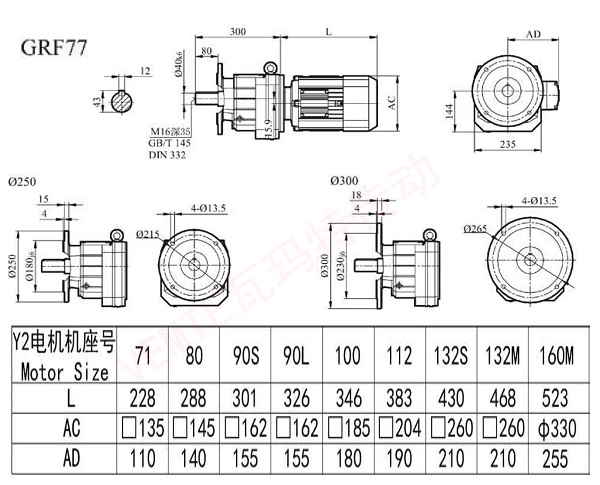
下面是RF77硬齒面減速機通用的安裝尺寸圖紙,若您需要三維圖或者是非標圖紙,請聯系客服


在長時間的使用過程中,我們需要注意對齒輪減速電機做一些相關的保養,例如:
對于工作環境環境溫度較高的硬齒面減速機,需注意散熱問題。在工作中,減速機內部會產生大量熱量,如果長時間不能散熱將導致溫度升高,影響伺服減速機的正常運轉。因此,應設置適當的散熱設備,保持減速機的溫度在合理范圍,以提高減速機的使用壽命和運轉效率。還需經常檢查硬齒面減速機的密封性。密封性差會導致潤滑脂流失、塵土進入內部從而引起減速機故障。因此,在使用時需檢查減速機的密封性是否良好,如果出現問題應及時進行維修或更換。對于硬齒面減速機的保養應從潤滑脂、齒輪和軸承、散熱器和密封性等多個方面進行考慮。只有做好減速機的保養工作,才能更好的維護設備的正常運轉,延長其使用壽命。
減速電機在安裝的時候,電機接線盒位置從電機風扇罩看(如圖),位置分別表示為0°,90°,180°或270°

更多的同軸斜齒輪減速器型號請點擊→R系列減速機
購買須知:我司VEMT品牌所有系列產品,標準常用的,倉庫均備有現貨2000臺左右,非常用的需排單定做,請聯系客服咨詢貨期。凡購買我司品牌VEMT系列產品,不分價格高低,兩年內免費維修,免費換新。兩年后免費維修,只收取零件成本費用,包含海外以及港澳臺區域。因各種設備企業對產品的要求標準不同,如果您的設備是出口的,請告知客服轉接我司VEMT工程部,告知您的高標準,我們VEMT工程部會為您量身定做百分百符合要求的產品。
跟此產品相關的產品 / Related Products
祥如機電產品中心
Product Center
聯系祥如機電
全國咨詢熱線
13528634927
微信13528634927











