FF37平行軸減速機詳細信息/Detailed Information
FF37平行軸減速機
減速機型號:F37 FA37 FV37 FAF37 FVF37 FAZ37 FVZ37 FF37 FH37 FHF37 FHZ37
電機 功率:0.12KW-3KW
輸入 轉速:500-3000轉
單機 扭矩:20-200N·M
單機 速比:3.77-128.51比
輸出 轉速:11-371轉/分鐘
硬齒面斜齒輪傳動,傳動效率95%
交 期:1-10天
訂購熱線:13528634927
FF37是B5法蘭安裝平行軸-斜齒輪減速機
FF37AM是AM(IEC)法蘭輸入平行軸-斜齒輪減速機
FF37AD是AD軸輸入平行軸-斜齒輪減速機
FF系列減速機的結構一般由輸入軸、輸出軸、減速機殼體、齒輪傳動系統、潤滑系統等組成。齒輪傳動系統包括主減速級齒輪和副減速級齒輪,通過齒輪傳遞動力和扭矩,實現減速效果。潤滑系統采用油泵、油箱、油路等組成,保證減速機內部齒輪傳動的潤滑和冷卻。這種FF系列減速機的優點包括傳動精度高、承載能力大、使用壽命長、傳動效率高、運行平穩、噪音低等。同時,它也有一些缺點,如結構復雜、體積大、重量重等。因此,在選擇使用硬齒面減速機時,需要根據具體的應用需求進行選擇和考慮。
下面是FF37系列減速機型號,不同廠家型號表示方式有差異,具體型號可咨詢客服了解

FF37系列減速機能做到的減速比有:
128比1,117比1,100比1,86比1,80比1,70比1,66比1,58比1,54比1,51比1,47比1,43比1,38比1,35比1,31比1,28比1,23比1,20比1,19比1,17比1,15比1,14比1,12比1,11比1,10比1,9比1,8比1,7比1,6比1,5比1,4比1,3比1減速機
采用四極電機配上上述的減速比之后,此時能做到的輸出扭矩有:
200N.m,190N.m,185N.m,175N.m,170N.m,145N.m,140N.m,135N.m,125N.m,120N.m,110N.m,105N.m減速機。
若上述的性能參數不滿足您的設備的實際使用需求,您可以咨詢VEMTE選型技術人員給您選型
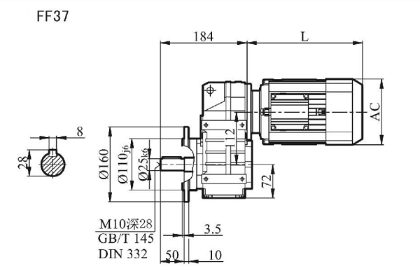
下面是FF37硬齒面減速機通用的安裝尺寸圖紙,若您需要非標圖紙或三維圖紙,請咨詢客服獲取相關資料

FF系列減速機更換加注潤滑油應該怎么處理?
潤滑油加注量的多少需要根據具體的使用情況來定。一般情況下,潤滑油的加注量要滿足以下幾點要求:一是要注足,二是不要過多,三是要及時更換。如果潤滑油加注過少,會導致油品不能充分潤滑,會在零部件之間產生磨損,嚴重的話會導致設備故障;而如果潤滑油加注過多,又會使油品在高速旋轉時產生氣泡,從而影響潤滑效果。
針對FF系列減速機,其潤滑油加注量需要在使用前進行詳細的檢查。具體來說,需要通過填充潤滑油標志上的標記或檢查窗口來檢查潤滑油的水平線是否在正常范圍內。如果液面在允許的范圍內,表示潤滑油加注量是正確的,可以進行正常的使用;如果液位過低,則需要立即加注潤滑油。
FF系列伺服減速機的潤滑油加注量的具體數值,一般是根據機型和使用情況而定的。一般來說,潤滑油加注量可以在技術參數表中查詢到,也可以在使用手冊中找到。對于不同機型的F系列減速機,其潤滑油加注量可能有所不同,因此需要仔細查閱相關資料或者咨詢設備生產廠家,將加注潤滑油的量控制在正確的范圍內。
對于FF系列減速機,加注潤滑油量的多少很關鍵,它直接影響設備的使用壽命和運轉效果。因此,在使用F系列減速機時,應該注意加注潤滑油的量并且定期更換潤滑油,以確保設備正常運轉。

更多的平行軸斜齒輪減速機型號請點擊→F系列減速機
購買須知:我司VEMT品牌所有系列產品,標準常用的,倉庫均備有現貨2000臺左右,非常用的需排單定做,請聯系客服咨詢貨期。凡購買我司品牌VEMT系列產品,不分價格高低,兩年內免費維修,免費換新。兩年后免費維修,只收取零件成本費用,包含海外以及港澳臺區域。因各種設備企業對產品的要求標準不同,如果您的設備是出口的,請告知客服轉接我司VEMT工程部,告知您的高標準,我們VEMT工程部會為您量身定做百分百符合要求的產品。
FF37AM是AM(IEC)法蘭輸入平行軸-斜齒輪減速機
FF37AD是AD軸輸入平行軸-斜齒輪減速機
FF系列減速機的結構一般由輸入軸、輸出軸、減速機殼體、齒輪傳動系統、潤滑系統等組成。齒輪傳動系統包括主減速級齒輪和副減速級齒輪,通過齒輪傳遞動力和扭矩,實現減速效果。潤滑系統采用油泵、油箱、油路等組成,保證減速機內部齒輪傳動的潤滑和冷卻。這種FF系列減速機的優點包括傳動精度高、承載能力大、使用壽命長、傳動效率高、運行平穩、噪音低等。同時,它也有一些缺點,如結構復雜、體積大、重量重等。因此,在選擇使用硬齒面減速機時,需要根據具體的應用需求進行選擇和考慮。
下面是FF37系列減速機型號,不同廠家型號表示方式有差異,具體型號可咨詢客服了解
| FF37-Y0.12-4P | FF37AM63M4 | FF37AD63M4 |
| FF37-Y0.18-4P | FF37AM71M4 | FF37AD71M4 |
| FF37-Y0.25-4P | FF37AM80M4 | FF37AD80M4 |
| FF37-Y0.37-4P | FF37AM90M4 | FF37AD90M4 |
| FF37-Y0.55-4P | FF37AM100M4 | FF37AD100M4 |
| FF37-Y0.75-4P | 斜齒輪減速電機 | FF37-Y2.2-4P |
| FF37-Y1.1-4P | FF37-Y1.5-4P | FF37-Y3-4P |

FF37系列減速機能做到的減速比有:
128比1,117比1,100比1,86比1,80比1,70比1,66比1,58比1,54比1,51比1,47比1,43比1,38比1,35比1,31比1,28比1,23比1,20比1,19比1,17比1,15比1,14比1,12比1,11比1,10比1,9比1,8比1,7比1,6比1,5比1,4比1,3比1減速機
采用四極電機配上上述的減速比之后,此時能做到的輸出扭矩有:
200N.m,190N.m,185N.m,175N.m,170N.m,145N.m,140N.m,135N.m,125N.m,120N.m,110N.m,105N.m減速機。
若上述的性能參數不滿足您的設備的實際使用需求,您可以咨詢VEMTE選型技術人員給您選型
下面是FF37硬齒面減速機通用的安裝尺寸圖紙,若您需要非標圖紙或三維圖紙,請咨詢客服獲取相關資料

FF系列減速機更換加注潤滑油應該怎么處理?
潤滑油加注量的多少需要根據具體的使用情況來定。一般情況下,潤滑油的加注量要滿足以下幾點要求:一是要注足,二是不要過多,三是要及時更換。如果潤滑油加注過少,會導致油品不能充分潤滑,會在零部件之間產生磨損,嚴重的話會導致設備故障;而如果潤滑油加注過多,又會使油品在高速旋轉時產生氣泡,從而影響潤滑效果。
針對FF系列減速機,其潤滑油加注量需要在使用前進行詳細的檢查。具體來說,需要通過填充潤滑油標志上的標記或檢查窗口來檢查潤滑油的水平線是否在正常范圍內。如果液面在允許的范圍內,表示潤滑油加注量是正確的,可以進行正常的使用;如果液位過低,則需要立即加注潤滑油。
FF系列伺服減速機的潤滑油加注量的具體數值,一般是根據機型和使用情況而定的。一般來說,潤滑油加注量可以在技術參數表中查詢到,也可以在使用手冊中找到。對于不同機型的F系列減速機,其潤滑油加注量可能有所不同,因此需要仔細查閱相關資料或者咨詢設備生產廠家,將加注潤滑油的量控制在正確的范圍內。
對于FF系列減速機,加注潤滑油量的多少很關鍵,它直接影響設備的使用壽命和運轉效果。因此,在使用F系列減速機時,應該注意加注潤滑油的量并且定期更換潤滑油,以確保設備正常運轉。

更多的平行軸斜齒輪減速機型號請點擊→F系列減速機
購買須知:我司VEMT品牌所有系列產品,標準常用的,倉庫均備有現貨2000臺左右,非常用的需排單定做,請聯系客服咨詢貨期。凡購買我司品牌VEMT系列產品,不分價格高低,兩年內免費維修,免費換新。兩年后免費維修,只收取零件成本費用,包含海外以及港澳臺區域。因各種設備企業對產品的要求標準不同,如果您的設備是出口的,請告知客服轉接我司VEMT工程部,告知您的高標準,我們VEMT工程部會為您量身定做百分百符合要求的產品。
跟此產品相關的產品 / Related Products
祥如機電產品中心
Product Center
聯系祥如機電
全國咨詢熱線
13528634927
微信13528634927











