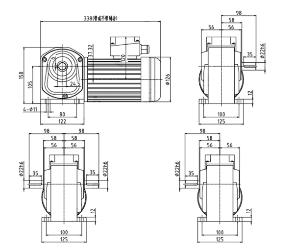
WSH22-400-S(B)減速電機
在挑選或購買減速電機時,許多用戶可能會對減速機型號標識感到困惑。若對減速器型號的含義不夠了解,就可能在采購過程中產生誤解或出現選擇錯誤。接下來,讓我們深入解析直交軸減速電機的型號,解讀每個字母及數字所蘊含的信息,以及它們在實際應用中的意義。通過對這款減速電機型號的理解,我們將逐一介紹各部分的含義,從而更準確地識別和選擇型號,避免在采購與使用過程中踏入誤區。下面,我們將針對型號WSH22-400-S(B)減速電機進行詳細分析。
WS表示直交軸減速機的系列
H表示減速電機是底腳實心軸
22表示出軸直徑或孔徑的尺寸
400表示減速電機的額定輸出功率
S表示減速電機的電源是三相
B表示減速電機的剎車的附加裝置
若您對該型號減速馬達的安裝圖紙有需求,歡迎通過右側的客服窗口或底部的樣本下載進行咨詢和下載。想要獲取詳細的型號及安裝尺寸信息,請點擊VEMTE減速電機http://m.excitingdestiny.com/zhijiaozhou.html以查閱更多細節。

在挑選或購買減速電機時,許多用戶可能會對減速機型號標識感到困惑。若對減速器型號的含義不夠了解,就可能在采購過程中產生誤解或出現選擇錯誤。接下來,讓我們深入解析直交軸減速電機的型號,解讀每個字母及數字所蘊含的信息,以及它們在實際應用中的意義。通過對這款減速電機型號的理解,我們將逐一介紹各部分的含義,從而更準確地識別和選擇型號,避免在采購與使用過程中踏入誤區。下面,我們將針對型號WSH22-400-S(B)減速電機進行詳細分析。
WS表示直交軸減速機的系列
H表示減速電機是底腳實心軸
22表示出軸直徑或孔徑的尺寸
400表示減速電機的額定輸出功率
S表示減速電機的電源是三相
B表示減速電機的剎車的附加裝置
若您對該型號減速馬達的安裝圖紙有需求,歡迎通過右側的客服窗口或底部的樣本下載進行咨詢和下載。想要獲取詳細的型號及安裝尺寸信息,請點擊VEMTE減速電機http://m.excitingdestiny.com/zhijiaozhou.html以查閱更多細節。

















