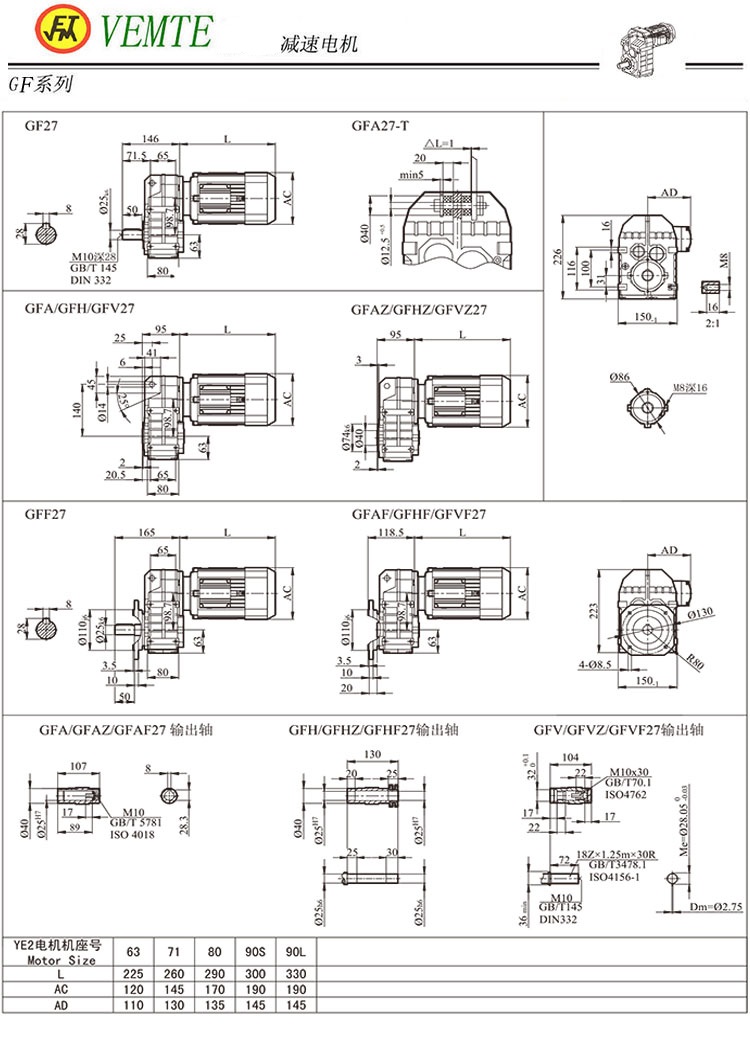
這是TF28減速機,TFA28減速器,TFF28減速箱以及TFAF28平行軸減速機的具體的型號以及對應的安裝尺寸圖紙。而TF28系列減速電機對應的大眾的型號為F27減速機。
| TFA28-Y0.37-4P | TFA28-Y0.12-4P | TFAF28-Y0.12-4P |
| TFA28-Y0.55-4P | TFA28-Y0.18-4P | TFAF28-Y0.18-4P |
| TFA28-Y0.75-4P | TFA28-Y0.25-4P | TFAF28-Y0.25-4P |
| TF28-Y0.37-4P | TF28-Y0.12-4P | TFAF28-Y0.28-4P |
| TF28-Y0.55-4P | TF28-Y0.18-4P | TFF28-Y0.12-4P |
| TF28-Y0.75-4P | TF28-Y0.25-4P | TFF28-Y0.18-4P |
| TF28-Y1.1-4P | TFF28-Y0.28-4P | TFF28-Y0.25-4P |
| TF28-Y1.5-4P | TFF28-Y0.55-4P | TFAF28-Y0.55-4P |
| TF28-Y2.2-4P | TFF28-Y0.75-4P | TFAF28-Y0.75-4P |
| TFF28-Y1.1-4P | TFAF28-Y1.5-4P | TFAF28-Y1.1-4P |
| TFF28-Y1.5-4P | TFAF28-Y2.2-4P | TFA28-Y1.1-4P |
| TFF28-Y2.2-4P | TFA28-Y2.2-4P | TFA28-Y1.5-4P |
此文關鍵字:TF28系列平行軸減速機型號
















