PW斜齒輪行星減速電機選型手冊樣本下載,PW行星減速電機型號有PW60、PW90、PW120、PW160行星減速器。PW行星減速器的產品特點主要包括以下幾個方面:
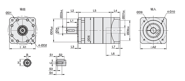
結構設計:PW行星減速器通常為方形設計,與電機配套協調,結構緊湊,體積小。這樣的設計確保了最大的抗扭剛性和輸出承載能力。
應用領域:這種減速器主要應用于數控機床、機床改造、包裝機械和軍工等行業。
技術參數:PW行星減速器的減速比范圍從1到3200:1,輸出轉矩可達到3200n.m。機座型號范圍為PW 65-280。
特殊設計:一些PW行星減速器具有分體式設計,提供更多輸出選擇。輸入和輸出尺寸可與直齒系列無縫切換。雙支撐籠式行星架設計提供了高可靠度,適合高速頻繁正反轉。此外,雙級單支撐支架設計提供了高性價比。
其他特點:某些型號的PW行星減速器帶有錐齒換向機構,可實現直角輸出。這些設計簡潔且性能可靠,具有較高的性價比。錐齒副滲碳處理,硬度可達HRC58,具有優化的耐磨性。
綜上所述,PW行星減速器以其緊湊的設計、高抗扭剛性、廣泛的減速比范圍和特殊的設計特點,在多個行業中得到了廣泛的應用。如需更多信息和樣本資料,您可以聯系右邊的客服下載樣本。

結構設計:PW行星減速器通常為方形設計,與電機配套協調,結構緊湊,體積小。這樣的設計確保了最大的抗扭剛性和輸出承載能力。
應用領域:這種減速器主要應用于數控機床、機床改造、包裝機械和軍工等行業。
技術參數:PW行星減速器的減速比范圍從1到3200:1,輸出轉矩可達到3200n.m。機座型號范圍為PW 65-280。
特殊設計:一些PW行星減速器具有分體式設計,提供更多輸出選擇。輸入和輸出尺寸可與直齒系列無縫切換。雙支撐籠式行星架設計提供了高可靠度,適合高速頻繁正反轉。此外,雙級單支撐支架設計提供了高性價比。
其他特點:某些型號的PW行星減速器帶有錐齒換向機構,可實現直角輸出。這些設計簡潔且性能可靠,具有較高的性價比。錐齒副滲碳處理,硬度可達HRC58,具有優化的耐磨性。
綜上所述,PW行星減速器以其緊湊的設計、高抗扭剛性、廣泛的減速比范圍和特殊的設計特點,在多個行業中得到了廣泛的應用。如需更多信息和樣本資料,您可以聯系右邊的客服下載樣本。

















