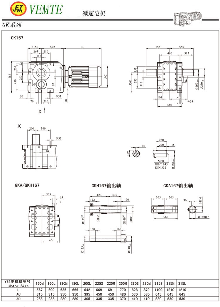
在用戶的選型過程中,有的時候有的用戶會問,某某系列減速機型號有哪些?下面就列舉一下K11減速機,KA11減速器,KF11減速箱以及KAF11的傘齒輪減速機型號和安裝圖紙
| K11DM160M | KA11DM225S | KF11DM160M |
| K11DM160L | KA11DM225M | KF11DM160L |
| K11DM180M | KA11DM280S | KF11DM180M |
| K11DM180L | KAF11DM180L | KF11DM180L |
| KA11DM180M | KAF11DM200L | KF11DM200L |
| KA11DM180L | KAF11DM225S | KF11DM225S |
| KA11DM200L | K11DM200L | KF11DM225M |
| K11DM280S | K11DM225S | KF11DM280S |
| K11DM280M | 傘齒輪減速機 | KF11DM280M |
| K11DM315S | KAF11DM160M | KF11DM315S |
| K11DM315M | KAF11DM160L | KF11DM315M |
| KA11DM280M | KAF11DM180M | KAF11DM225M |
| KA11DM315S | KA11DM160M | KAF11DM280S |
| KA11DM315M | KA11DM160L | KAF11DM280M |
| KAF11DM315S | K11DM225M | KAF11DM315M |
下一篇:K12系列傘齒輪直角減速機型號上一篇:K10系列直角減速機型號
此文關鍵字:K11系列傘齒直角減速機型號
















